电力电子及新能源高端装备制造创新型高新技术企业

动态电压调节器AVC

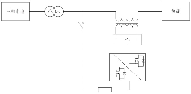
通过变压器一次侧串联电网中,二次侧连接逆变器的输出侧,通过DSP数字控制芯片进行运算,控制逆变器相位幅值从而稳定电压。
产品咨询
产品概述
产品概述

设备通过变压器一次侧串联电网中,二次侧连接逆变器的输出侧,通过DSP数字控制芯片进行运算,控制逆变器相位幅值从而稳定电压。3ms内迅速响应,网侧电压发生波动,逆变器迅速输出电压,将电压稳定在额定值,波动消失后无电压突变输出补偿波形完美重合电网波形,比UPS的优越性:省电,待机功耗小于1%,额定工作效率>98.5%。

拓扑如图:

1-240531212535515.jpg


相关产品

给我们留言


给我们留言

3044AM永利

  • 网站地图